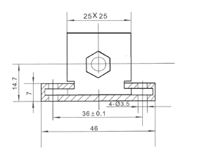
WDL-B系列精密位移传感器外型尺寸

 

 

 

 

电气行程 10 15 25 50 75 100
L(mm) 75 80 90 115 140 165