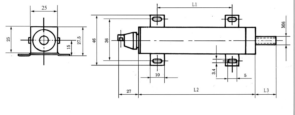
WDL系列精密位移传感器外型尺寸示意图

| WDL-25 | WDL-50 | WDL-100 | WDL-200 | WDL-300 | |
|
L1 |
67 |
92 |
143 |
220 |
300 |
|
L2 |
105 |
130 |
181 |
278.5 |
378.5 |
|
L3(min) |
21 |
21 |
21 |
21 |
21 |
|
L3(max) |
52 |
77 |
128 |
227 |
327 |